Türkçe English العربية РУССКИЙ Deutsch

0(232) 433 85 35

[email protected]

Vodapump
  • ГЛАВНАЯ СТРАНИЦА
  • О НАС
  • ПРОДУКЦИЯ
  • Сертификаты качества
  • Изображение
    • Основная концепция работы водяного насоса
    • Презентация компании
    • Наш город - izmir -
  • ДИСТРИБЬЮТОРЫ
  • КОНТАКТНАЯ ИНФОРМАЦИЯ

MSL / TSL - 40

  1. ГЛАВНАЯ СТРАНИЦА
  2. MSL / TSL - 40

ОДНОФАЗНЫЕ / ТРЁХФАЗНЫЕ МОНОБЛОЧНЫЕ ЭЛЕКТРОНАСОСЫ

Kategoriler

  • ✓ ВОДЯНЫЕ НАСОСЫ
    • - MSL / TSL - 40
    • - MSL / TSL - 50
    • - MSL / TSL - 80
    • - TSL - 50
    • - TSL - 80 (33m)
    • - TSL - 80 (45m)
    • - MSL / TSL - 2K
  • ✓ ГИДРОФОРЫ
    • - Многоступенчатый насос с вертикальным валом (тип 90)
    • - С одним насосом (тип 90)
    • - С двумя насосами (тип 90)
    • - С тремя насосами (тип 90)
    • - Многоступенчатый насос с вертикальным валом (тип 100)
    • - С одним насосом (тип 100)
    • - С двумя насосами (тип 100)
    • - С тремя насосами (тип 100)
  • ✓ ДРЕНАЖНЫЕ НАСОСЫ
    • - VP DRP
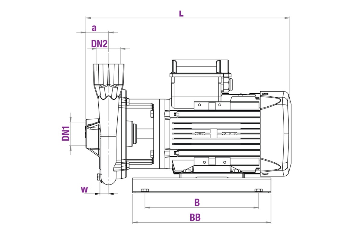
Модель Мощность Порты размеры (mm) Кг
Однофазный Трёхфазный Л.с. кВт Всасывание DN1 Подача DN2 L N h1 h2 h a w A AB B BB 1~ 3~
MSL / TSL - 40 - 0,75 (1HP) 1 0.75 1½" 1½" 390 230 120 140 260 46 17 202 224 230 280 20 20
MSL / TSL - 40 - 1,1 (1,5HP) 1.5 1.1 1½" 1½" 395 230 120 140 260 46 17 202 224 230 280 23 21
MSL / TSL - 40 - 1,5 (2HP) 2 1.5 1½" 1½" 415 230 120 140 260 46 17 202 224 230 280 27 27
  • Высота подачи (метр): 29 Н·м (м)
  • Скорость потока: 300 (л/мин), 18 (м3/час)
  • Тип уплотнения: механическое уплотнение
  • Температура жидкости: 0 °C / 60 °C
  • Тип корпуса: корпус из магниевого чугуна
  • Тип колеса: алюминиевое колесо
  • Тип двигателя: высокопроизводительные двигатели IE2- IE3- IE4
  • Скорость: 2900 оборотов/мин
  • Сферы применения: капельное орошение, система орошения дождеванием, фабрики, строительство, сельскохозяйственное орошение.
Vodapump

Компания Motorcular Ltd.Şti. (ООО), которая была учреждена в 1996 году и занимается продажей и маркетингом электродвигателей, редукторов и их деталей, начала производство водяных насосов и гидрофоров на фабрике в районе Борнова под зарегистрированной маркой VODAPUMP в 2016 году, помимо главного офиса по продажам. Получив корпоративную идентичность, в 2018 году компания изменила название на Motorcular A.Ş. (АО) и целью компании является экспорт за рубеж продукции на 100% отечественного производства, работая с опытными инженерами и техниками.

КОНТАКТНАЯ ИНФОРМАЦИЯ

Адрес: Oğlananası Atatürk Mah., Saim Çıkrıkçı Cad., No:127 Kısık, Menderes, İzmir
Тел: 0(232) 433 85 35
Факс: 0(232) 458 63 09
Электронная почта: [email protected]

КОНТАКТНАЯ ИНФОРМАЦИЯ ФАБРИКИ

Адрес: Egemenlik Mh., 6106 Sk., No:66, Geri Kazanımcılar Sitesi, Bornova, İzmir
Тел: 0(232) 457 94 98
Факс: 0(232) 458 63 09
Электронная почта: [email protected]

ССЫЛКИ

ГЛАВНАЯ СТРАНИЦА
О НАС
ПРОДУКЦИЯ
Сертификаты качества
Изображение
ДИСТРИБЬЮТОРЫ
КОНТАКТНАЯ ИНФОРМАЦИЯ

© Copyright 2018. All Rights Reserved.